ESTES ROCKETRONICS TRANSROC

Transroc logo

I'm interested in radio-based locating devices, including the TRANSROC and associated accessories. If you have one of these devices gathering dust in your attic or basement, send me an e-mail!

The TRANSROC is a miniature, multipurpose transmitter sold during the 1970s in kit and preassembled form by Estes Industries for use with model rockets.

The TRANSROC has three basic modes of operation one of which, TM (telemetering), can be further broken down and expanded into several subdivisions.

Rocket Finder
The most basic mode of operation for the TRANSROC is as a rocket finder. In the rocket-finder mode, the transmitter is pulsed on approximately once per second and is off during the remainder of the cycle. This provides a beacon similar to the ones used in space capsules and survival equipment for locating astronauts and fliers after they lower by parachute into the ocean. This "cw" (continuous wave) type signal provides excellent penetration in the presence of severe interference.

Telemetering
The telemetering modes are similar to the rocket-finding mode in that the transmitter is turned on and off in sequence to convey information. The cycle is much shorter for TM, however. The time during which the transmitter is off during each cycle is controlled by the appropriate transducer such as a photocell, thermistor, etc.

Microphone
The microphone transmitter mode is significantly different than the rocket-finder of telemetering modes in that instead of the transmitter output being turned on and off intermittently, its amplitude (strength) is varied in proportion to the sound striking the microphone. It thus transmits in the same manner as a standard AM (amplitude modulated) radio station or walkie-talkie.

VERSIONS
Note that some changes were made in the design of the TRANSROC after the first 1,000 units had been manufactured. The changes which generated the "B" configuration made an improvement in ease of construction and made the PC board less subject to being damaged by excessive soldering heat. These changes also made it unnecessary for a resistor to be selected by the owner when installing his first TM kit. Although these circuit changes were minor, considerable change to the PC board layout was required in order to accomodate them.

The "A" and "B" configurations are identical in operating characteristics and specifications.

INTRODUCTION
From Model Rocket News, June 1971 (Volume 11 Number 2):

TRANSROC photo-s.gif

TRANSROC
Estes opens and whole new world in model rocketry

"Hey, this is GREAT!" Can't you just hear your friends when you fly your model rocket with the Estes TRANSROC -- the latest in miniature Space Age electronics? You'll have lots of fun, too, becoming an expert with this multi-purpose transmitter that will literally transform your model into a "talking bird."

You can start by using the TRANSROC as a rocket finder -- its most basic mode -- to retrieve lost birds using your walkie-talkie. Then as the TRANSROC bug bites you, you can add sophisticated Estes TRANSROC accessories that will bring you even closer to being a real space scientist.

The TRANSROC is just over four inches long and fits neatly in a BT-50 paper body tube (or PST-50 FJ clear plastic body tube), and can easily be adapted to larger rockets. It is powered by a 15-volt battery with a life of up to 24 hours and transmits on any of 23 channels in the 27 Megahertz (megacycle) Citizens Band which you specify. Normally, the crystal supplied will be Channel 11 or Channel 14 to match the walkie-talkie units available from Eates. No FCC license is required to operate the TRANSROC.

Detailed and thoroughly illustrated instructions on assembly, theory, and operation are supplied with the Estes kit. If you have previous experience building electronic devices, you can assemble the TRANSROC yourself. If not, you may prefer to purchase a pre-built TRANSROC.

In its basic rocket-finder mode, the TRANSROC emits a "beep" which, depending upon the level of interference present and the sensitivity of the receiver used, can be picked up at distances of up to five miles or more during flight and up to a few hundred yards after landing.

Once you have mastered the operation of the basic TRANSROC transmitter, you are ready to add any of the accessories that will give you many hours of educational enjoyment. You become highly involved in the flight as you listen to your rocket send back data to its own "Mission Control" on the ground.

Using the transmitter's printed circuit board, you can, for instance, add a miniature microphone and record in sequence from your receiver the sounds from on board the rocket: countdown, lift-off, coasting, parachute ejection, descemt, and landing. Playing the recording back at your next club meeting will make a big hit.

Another accessory for the TRANSROC is a spin-rate sensor that tells you how fast your rocket is spinning as it streaks upward. There is also a temperature telemetering kit.

The TRANSROC possibilities are not limited, however, to the Estes accessories. Let your imagination run free! Designing and building your own telemetering components for use with the TRANSROC can give you an even greater feeling of achievement in the ever expanding field of model rocketry.

OWNER'S MANUAL
Owner's Manual Cover
Owner's Manual
Original Model ("A" configuration)

ACCESSORIES
Accessory Cover page


Microphone Manual cover
Microphone Accessory Manual
  Spin Rate Manual cover
Spin Rate Accessory Manual
  Temperature Manual cover
Temperature Accessory Manual

FLIGHT TEST
From the October 1971 issue of Model Rocketry (v4n1):

Flight Test: The Estes "TRANSROC"
Model Rocket Beacon Transmitter

by George Flynn

Flight Test's usual columnist, Jon Randolph, is on vacation this month to allow him time to build his NARAM-13 models. Jon will return next month.

This month Flight Test will examine the TRANSROC model rocket transmitter introduced earlier this year by Estes Industries. The kit, priced at $14.95, includes all the parts necessary to build a working "rocket finder" transmitter. In addition, accessory modules for data telemetry of spin rate and temperature as well as a microphone module are available from Estes.

The first thing you'll notice when unpacking your TRANSROC is the imposing length of the instructions. A 54 page "Owner's Manual" includes step-by-step construction procedures as well as troubleshooting tips and operating suggestions. In addition, a 12 page "Electronic Kit Builder's Handbook" is included. Before you try to assemble your TRANSROC, carefully read the section on soldering techniques in the Builder's Handbook. Good soldering technique isn't difficult, and the TRANSROC should work right off if it is properly assembled.

Using the assembly checklist procedure, which has worked out well for the major electronic kit producers, the assembly section of the Owner's Manual guides the rocketeer through each tep. Oversize drawings specifying the location of each part also help to avoid errors in assembly. The instructions are clear and easy to follow, with descriptions of each part so even the beginner with no electronic experience can assemble the unit.

When soldering components to the TRANSROC circuit board be especially careful not to bridge solder across any of the conducting bends. The entire circuit board is only 13/16" by 1 3/4", so care is required to avoid bridging. A total of 26 components are soldered to the PC board - an operation which should take the average rocketeer 1 1/2 to 2 hours. Don't rush the project!

Overall the Estes kit instructions are excellent. Each step is clear and easy to understand. Only one area may cause some confusion. Step 44 concerns hooking battery leads to the PC board. After working on the top of the board for 43 steps, suddenly you find yourself attaching these leads on the bottom. But there is no view of the bottom in the instructions, and some rocketeers have accidentially connected these leads backwards. Watch out for this one! Connect the black lead to the same edge of the board as the tantalum capacitor and you'll have no problems.

Once assembled, your TRANSROC should put out a strong signal on the CB channel marked on the crystal. A normal walkie-talkie (using a crystal on the same frequency) will provide good reception. Estes claims a ground range of "up to 500 yards" for the TRANSROC. Normally such claims for any CB unit can be taken with a grain of salt. But our testing of the TRANSROC gave it a ground range of over 1/2 mile into a $30 superheterodyne walkie-talkie. A half-mile range works out to better than 800 yards.

We didn't have an opportunity to test the "5 mile range in flight" claim, but you will have no trouble hearing the TRANSROC's signals from two-stage D13-powered models. (Lack of suitable field precluded testing with Enerjet F, but based on its performance with D's it looks like this transmitter will have sufficient range for anything a model rocketeer can legally use to fly it.)

The TRANSROC was designed to provide a strong signal for many hours in order to allow maximum use as a "rocket finder." Powered by a single Eveready No. 504 battery (the battery recommended by Estes), our unit ran for slightly over 26 hours before the signal strength went down measureably. That gives you a lot of time to locate a lost payload and the TRANSROC should provde a valuable addition to any CINEROC model just you make sure you can get the expensive CINEROC back.

An important qualification of any rocket-borne payload is its "shock resistance." During the testing phase Earl Estes, who developed the TRANSROC, reports that several units streamlined in from altitude and continued transmitting on the ground. Our own testing consisted of dropping the assembled unit 35 feet to a concrete surface. As long as the transmitter is encased in a B50 tube it's quite shock absorbent, and only the most serious prang will give you any problems. On one D13 powered flight the TRANSROC in its payload capsule free-fell from over 1000 feet and the transmitter would have continued functioning, had the battery not fallen loose at impact.

For those rocketeers who don't feel up to the two hour electrical assembly task, a completely assembled TRANSROC is available for $21.95. Actually, purchase of the assembled unit might not be a bad idea for the beginning rocketeer who has no interest in home electronic projects, since if you add the cost of a soldering iron (eded to assemble the TRANSROC) to the kit ($14.95) you come up with something close to the price of the assembled unit.

The TRANSROC Owner's Manual provides numerous suggestions for experiments which can be done using the three sensors available as separate kits. Perhaps the only fault we can find with the unit is that is that it is necessary to remove and add a few parts to the PC board each time you want to change from the rocket-finder mode to one of the sensors.

There is no doubt that the TRANSROC, as well as the previously introduced Estes CAMROC and CINEROC, will provide new challenges for rocketeers interested in more than just the "smoke and noise" of a successful liftoff.

TRANSROC photo

Estes Industries packs quite a few parts into their "TRANSROC" Rocket Finder Transmitter. The entire circuit board (left) measures only 13/16" by 1 3/4" and contains 26 components. The two variable inductors (cylindrical parts along the centerline) are pre-mounted on the board, and the only tuning required is adjusting the slugs in these coils to maximize the output signal. Assembly on the "TRANSROC" is simple enough that the average 12 year old rocketeer should be able to put together without difficulty. Using the recommended Eveready 504 battery the unit will put out its "rocket finder" signal for more than a day before the battery is exhausted.


DESIGN

The following article appeared in the May 1972 issue of Popular Electronics:

ESTES "TRANSROC" RADIO CONTROLLED TRANSMITTER

schematic

Recently we had the opportunity to build and test the "Transroc" model aircraft and rocket transmitter put out by Estes Industries. Since it was designed to be used in conjunction with a conventional Citizens Band receiver, we were surprised at the compact size of the six-transistor, crystal-controlled transmitter.

The Transroc is no simple little toy meant to be used by aspiring young scientists. In fact, the transmitter did things that surprised even old model rocketry veterans like us. When properly set up, the Transroc can provide any one of three different modes of operation: first, it is a "beeper" which transmits one beep per second on the CB band - a signal used to locate a downed model aircraft or rocket. Second, it can be used for telemetry by employing some form of signal-to-resistance sensor (photocell, etc.). Finally, used with a microphone, it becomes an under-100-mW AM CB phone rig.

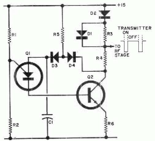
Circuit Design. To give you an idea of the sophisticated circuit design used in the Transroc, the schematic diagram shows a portion of the modulator - in this configuration, a beeper. For the analysis, start at the collector of Q2 and assume that this transistor is cut off. In this state, the diode gate consisting of D3 and D4 is switched on by the current through D2, R3 and R4. The junction of D3 and D4 is supplied with charging current through R5. This current builds up a voltage across C1 and is also supplied to transistor switch Q1 as one of its inputs. The other input to Q1 is via voltage divider R1/R2.

schematic

When the anode voltage of Q1 reaches the level of its gate voltage, Q1 conducts and C1 begins to discharge through the transistor, the base-emitter junction of Q2, and current-limiting resistor R6. The flow of current turns on Q2, and the voltage drop at the transistor's collector cuts off the D3/D4 gate. This stops the charging current to C1. After a time period approximately one-half as long as was required to charge C1, Q1 automatically resets to the nonconducting state cutting off Q2 and allowing the process to repeat as long as power is applied.

The Transroc was tested (in the beeper mode) in a working model aircraft using a conventional CB receiver with a loop antenna. There was no trouble locating the downed aircraft almost a mile away. We listened to similar units operating in the telemetry mode and were surprised at the excellent signals.

Price of the Transroc is $21.95 assembled or $14.95 in kit form.


Comments to Webmaster

Last updated March 4, 2024